Ook, afhankelijk van de toepassing: tochtband, tochtprofiel, borstelstrip, tochtlat.
Een tochtstrip is een profiel, vaak van kunststof of aluminium met rubber of schuimrubber, dat aangebracht wordt bij (draaibare) ramen en deuren om een tochtvrije constructie te maken.
Afhankelijk van de vorm (doorsnede) is sprake van tochtband met een profiel in de vorm van een letter E (of K), P, D, V (of Y), O. Het flexibele, tochtwerende deel is vaak van rubber (gaat langer mee dan schuimrubber).
De isolatie die uitsluitend uit zacht materiaal bestaat, wordt tochtband genoemd.
Handig zijn de zelfklevende tochtstrips.
De "tochtstrip" voor de onderzijde van een deur wordt dorpelstrip genoemd. Er is ook tochtwering aan de onderzijde van de deur die in de deur geplaatst wordt en naar beneden wordt gedrukt; bij een nog in te hangen deur niet gek, maar onhandig te repareren/vernieuwen (deur eerst weer uit de scharnieren halen en onderzijde frezen).
Ook tegen het tochten door de klep van een brievenbus bestaat een vorm van tochtwering.
Een valdorpel is een soort automatisch tochtprofiel voor de onderzijde van de deur.
Attentiepunten
- kies de juiste "tochtstrip", "tochtband" e.d., vooral bij online zoeken en kopen is dit belangrijk! (afhankelijk van o.m. toepassing, locatie, te overbruggen kier, gewenste uitvoering; hoe lang moet de tochtstrip zijn; hoe lang wordt verwacht dat de tochtstrip zijn functie moet uitvoeren; soms wordt toch overwogen te verbouwen en is een eenvoudige, tijdelijke oplossing voldoende)
- is de kier bij raam of deur overal even groot is (soms is een deur of raam toch iets scheef en is de kieropening niet overal even groot; voor de gekozen oplossing kan de grootste opening te groot zijn of de kleinste opening te klein, of beide; let dus op zowel het maximale als het minimale aantal mm "kier" dat vermeld is bij de tochtstrip)
- als de tochtstrip niet in de gewenste kleur te verkrijgen is: is verven van het tochtprofiel mogelijk (niet alle tochtprofielen zijn goed te verven)
- meestal wordt de tochtstrip op de vaste deur- of raampost aangebracht (soms is het beter de strip op deur of raam aan te brengen, maar dat is vaak minder fraai)
- maak bij zelfklevende tochtprofielen de ondergrond eerst goed schoon, vetvrij en droog (bij voorkeur met terpentine)
- haal bij zelfklevende tochtstrips niet meteen alle beschermfolie van de strip (maar steeds een te behappen stuk), rek de tochtstrip niet uit en laat hem ook niet "lubberen"
- ga na of u de juiste breedte hebt om de tochtstrip in de sponning te doen (vaak 16 mm, controleer die breedte!)
- ga na of aan alle zijden van deur of raam een even dikke strip nodig is (na aanbrengen van de tochtstrip moet je soms wel heel hard duwen om de deur dicht te krijgen)
- is het door uzelf uit te voeren of moet een vakman ingehuurd worden (wellicht is een eenvoudiger oplossing wel zelf uit te voeren)
- er bestaan kozijnrubbers / tochtstrips voor deuren en ramen met een aluminium strip als ondergrond (al of niet zelfklevend) of geheel van rubber (bijn altijd zelfklevend); bij vervangen moet hier uiteraard op gelet worden; meestal is de bestaande kozijnrubber met aluminium redelijk eenvoudig te verwijderen
- de kozijnrubbers met groter profiel (als het ware een grotere opening bij de V-vorm) kunnen grotere kieren overbruggen.
Voor veel mogelijkheden
- Elton (zowel voor professioneel als voor de doe-het-zelver; Ellen tochtprofielen voor bijvoorbeeld voordeuren, binnendeuren, achterdeuren, ramen, brievenbussen, schuifdeuren en garagedeuren).
soorten "tochtstrips"; klik voor groter (karwei):![]() |
kozijnrubber met aluminium strip (de kozijnenman friesland): ![]() |
kozijnrubber zefklevend (kozijnrubbers): ![]() |
juiste wijze van aanbrengen kozijnrubbers; let op de plaats van de open kant van het v-vormige rubber; de plaatsing is afhankelijk van de winddruk en daarmee van de draairichting van raam of deur; als voorbeeld een 16 mm brede sponning en 6 mm als sluitende opening tussen raam en kozijn (elton): aan de scharnierzijde raam of deur (wanneer je het profiel andersom plaatst, is de kans groot dat de afdichting bij het openen en sluiten achter raam of deur terechtkomt met als resultaat geen of slechtere afdichting en ook beschadiging van het profiel):
aan de niet-scharnierzijde (slot- en bovenzijde) voor een naar buiten draaiend raam of deur: aan de niet-scharnierzijde (slot- en bovenzijde) voor een naar binnen draaiend raam of deur: |
kozijnrubber renovatie met dieper profiel, waardoor ene grotere opening wordt overbrugd (tot 10 mm waarschijnlijk; kozijnrubbers): ![]() |
tochtstrip model "K" of "E", kleine kier, zelfklevend: ![]() |
tochtprofiel "D", zelfklevend, bovenaanzicht (elton): |
opbouw dorpelstrip, ellen borstelprofiel, handig bij een deur met een te grote opening eronder; gemakkelijk te monteren; in verschillende hoogten verkrijgbaar (elton model ibs 60): ![]() |
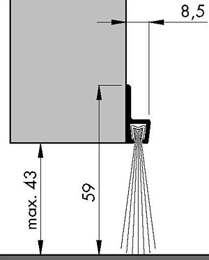
opbouw, authentieke houten tochtlat met rubber profiel, overschilderbaar, bovenaanzicht; het ronde rubberen profiel sluit de wind goed af!; in elke kleur te lakken; zeker bij bijvoorbeeld een 1930-er jaren-huis past deze authentieke lat uitstekend; klik voor een grafische weergave van het profiel; elton model hts): ![]() |
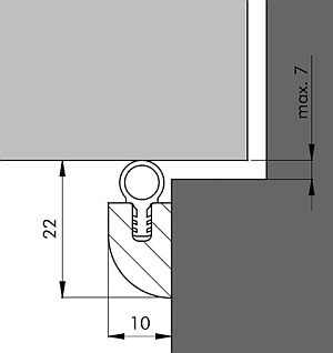
opbouw, tochtprofiel vergelijkbaar met de tochtlat hierboven maar van kunststof en minder dik (5 mm) terwijl toch 7 mm wordt overbrugd; sluit iets minder goed dan de houten versie met ronde rubberen profiel; klik voor een grafische weergave van het profiel (elton model pts): ![]() |
tochtstrip bij een schuifraam; voorbeeld van een toepassing van vr-strip (grijs); klik voor de volledige afbeelding (van ruysdael): ![]() |
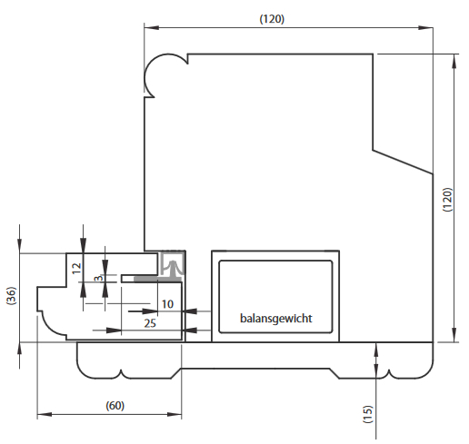
opbouw valdorpel van luvema (sloterop hang- en sluitwerk): ![]() |
Zie bijvoorbeeld Elton (van o.m. de bekende Ellen tochtprofielen).
Eng. darught, draft (Am.); tochtstrip is draught excluder, wether strip, wetherstripping, draught-proofing strip











